台鈴 晶鑽125 快讓我發瘋的問題..求救阿~~

化油器拆下來清洗後(細部分解)發生以下狀況
1.加油門以後速度一直上不來.全油門也是一樣
而且還會像是汽車超轉斷油的情況發生!
2.回油後有時候會放屁.有時候不會!!
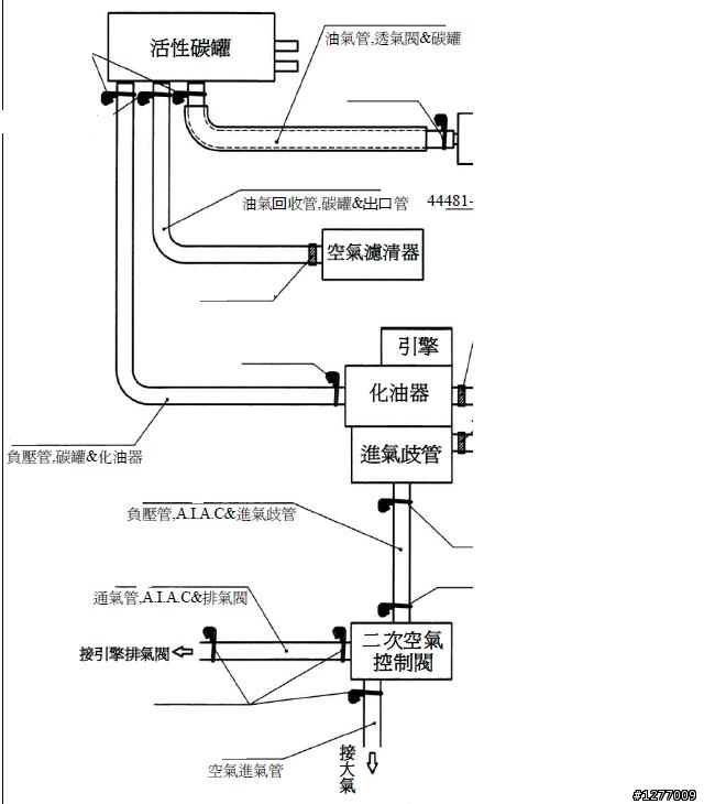
3.拆解後有兩條管忘記接在哪裡= =
B 一條源頭是在前座下方有一個黑色圓筒狀的東西(塑膠).圓筒有好幾條管接出來 <我把這條接再化油器下方長條有彎曲的銅色管子上>
A 一條是在傳動組前面一個鐵材質的圓形.這個圓形有另一條管是接在汽缸下面(旁邊是排氣口<鎖排氣管的) <這條....我沒有接也沒有塞起來> 車型: 晶鑽125
台鈴  晶鑽125 快讓我發瘋的問題..求救阿~~
2012-01-15 18:56 發佈
文章關鍵字 台鈴 問題 125
油針,負壓膜有裝好嗎?
說真的若沒有經驗跟把握
我也不敢自己將化油器拆下細部分解
何況裝回時也要注意有無裝妥善
你可改一下<標題> 應該問如何接化油器上管路,應該會有更多人幫你

A:缸頭上的是2次空氣再燃燒,可廢除它,它是接化油器上的進氣岐管

B:黑色圓筒狀是活性碳軟管,是直接接化油器的
這案例又驗證一次"沒事別隨便清化油器"

速度上不去可能是裝回負壓膜時

沒確實裝好

而事主那兩條管子沒裝好

也會影響車子的順暢性
感謝解答....^^
有一條我沒有接的管.我已經看圖解確定要接去哪裡了
不過...那條管我再拆的時候本來就沒有接了= =
小弟的車之前有大修過.可能車行沒有接回去(難怪...大修回來後車子騎一段路以後會
整個軟掉)

速度上不來可能真的是負壓膜沒有裝好.明天再來給它詳詳細細的拆裝一下

另外.....今天回來以後徹底傷心..有去網路上看suzuki address z125
感覺很不錯..考慮舊的搞定以後.再來去買一台address z125 ^^

black2019 wrote:
感謝解答....^^...(恕刪)


ADDRESS Z沒了吧??
菜鳥自覺~認清輩分~不得有故做大條~一臉欠揍之行為! 希望公差~自動出列~不得有畏縮不前~不點不亮
內文搜尋
X
評分
評分
複製連結
Mobile01提醒您
您目前瀏覽的是行動版網頁
是否切換到電腦版網頁呢?