[練習]AutoCAD 3D立體圖形-習題06-內有影片教學

[練習]AutoCAD 3D立體圖形-習題06-內有影片教學
[練習]AutoCAD 3D立體圖形-習題06-內有影片教學
[練習]AutoCAD 3D立體圖形-習題06-內有影片教學
[練習]AutoCAD 3D立體圖形-習題06-內有影片教學

AutoCAD教學「3D立體圖形」習題來囉~
有基礎的朋友可以自行先練習~
無基礎的朋友請參考我的影片教學~
更多其他繪圖方式歡迎一起討論!
PS:如果可以請PO出步驟影片,彼此一起交流學習。

https://youtu.be/JXng3Y4KkMM
https://www.autocad-tw.com/
2021-02-19 12:24 發佈
自從改用Solidworks後,好久沒用CAD了…

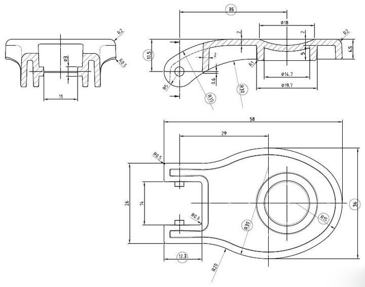
給2個長度,完全定義草圖。


給1個長度,完全定義草圖。


掃出成型:


Keyshot 渲染:
chirle wrote:
自從改用Solidworks後,好久沒用CAD了…
給2個長度,完全定義草圖。


Solidworks真方便
Creo好像沒3D草圖這功能
CAD應該算早期的軟體了
有基礎在學Solidworks會很快吧
番薯地瓜傻傻分不清 wrote:
CAD應該算早期的軟(恕刪)


CAD應該是較早就開發的製圖軟體吧… 我當初學的是AutoCad 12... dos版本~

Solidworks是蠻友善的軟體,很好入門。

一開始入門Solidwork時,常在網上論壇和同好比,誰能以最少的限制將草圖給完全定義出來… 搞到後來連平面也拿來定義草圖,真的蠻好玩的。
chirle wrote:
Solidworks
真的Solidworks的3D比AutoCAD好用太多(雖然我沒有用過Solidworks😅)
您的3D渲染真的很逼真👍
https://www.autocad-tw.com/
Tiger&蘋果爸 wrote:
真的Solidworks...(恕刪)


繪製3D模型真的蠻推Solidworks... 我是之前在對岸協力工廠駐廠時無聊自學的…

曾想去考丙級認証,因時間無法配合,一直沒去考…


丙級考題之一:15200





渲染… 不用考渲染



chirle wrote:
繪製3D模型真的蠻推Solidworks...(恕刪)
真的很強大,渲染超逼真
請問是內建場景嗎,還是您自己建構的
https://www.autocad-tw.com/
Tiger&蘋果爸 wrote:
真的很強大,渲染超逼(恕刪)


這是用Keyshot渲染的,用的是它內建的背景圖,只要給定特徵的材質、顏色、光源方向、反射…條件。然後交給電腦去跑就好了… 我這是屬於傻瓜式的入門渲染,因Keyshot很強大,我沒去研究詳細的設定。
chirle wrote:
自從改用Solidworks...(恕刪)


Keyshot 渲染滿美的
內文搜尋
X
評分
評分
複製連結
Mobile01提醒您
您目前瀏覽的是行動版網頁
是否切換到電腦版網頁呢?