各位飛友大大們 想請教一下您們幾個問題
小弟我有台偉力的V912. 想將它的主馬達升級更換成較有力的無刷馬達 上網查過好多資料 就是見不到我想查的文章 想更換無刷的原因是因為我這912的原廠馬達感覺沒什麼力 玩個一下下主馬跟尾馬就有夠燙的
或許會有人跟我說乾脆換台有無刷版的飛機不就行了!! 是沒錯 不過我心中那DIY的小惡魔 就是希望我可以自己動手DIY 話就不多說 直接說我想問的問題:
1.我的這構想是可行的嗎?
2.若可行那我需要哪些材料&配件呢?
3.在DIY的過程中我必須注意些什麼呢?
4.若少了些什麼問題請大大們給我個指教(///▽///)
shiang822191 wrote:
1.我的這構想是可行的嗎?
2.若可行那我需要哪些材料&配件呢?
3.在DIY的過程中我必須注意些什麼呢?
4.若少了些什麼問題請大大們給我個指教(///▽///) ...(恕刪)
1.可行
2.無刷轉換器(有刷訊號轉無刷訊號)
3.無刷馬達kv值銅齒/與大齒盤搭配
4.多測試 多測試
http://www.youtube.com/watch?v=BkFyw7HIp7E&feature=share&list=TLC28Pzd4g8OI
ilan87 wrote:
我也問一下樓主可能也會遇到的問題
一般常見的有刷馬達是靠正、負兩條線與馬達連接,然後去改變電壓藉以達到改變馬達轉速
一般常見的電變一邊是紅黑兩條線,另一邊是給無刷馬達用的三條線,是否可以像下圖中這樣接
使用原本有刷馬達的電源控制,只是不曉得改變電壓時無刷馬達是否還能運轉?
..(恕刪)
有刷馬達是改變電壓來控制轉速,以馬達觀點來看是直流電.
而無刷馬達經由電子變速器控制輸出頻率,對以馬達來說算是交流電.
以小電直改無刷來說,要看原始設計
要是有直接無刷訊號輸出,把訊號接到無刷電變,就可以控制無刷馬達
要是沒有無刷訊號輸出就只能以"無刷轉換器"來模擬訊號輸出.
無刷電變基本上有3個接口端
1.輸入電源端
2.馬達電線端
3.訊號線端
所以你那種接法無法驅動無刷電變,他會一直進入低電壓保護(假如有這個功能的話),而且無法驅動(因為訊號線端沒接上).
無刷轉換器<<基本上就是將有刷訊號轉化為無刷訊號,以前有刷時代比較好找,但是目前是無刷馬達時代,這東西就很難找,這東西還有轉換快慢的分別,有興趣的可以股狗一下文獻.
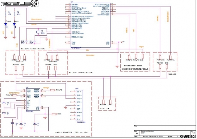
貼幾張線路圖.以及內衣牌有刷小電直修改文件參考看看




內文搜尋
X





























































































