• 2

辦公室新增開關


e0490738 wrote:
因為我們現況是A區是(恕刪)


你要的方式
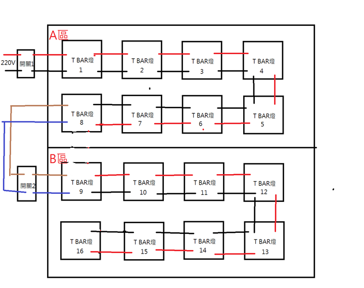
應該是這樣畫
e0490738 wrote:
各位好:目前辦公室為A(恕刪)


實際上這種燈用快速接頭
所以都是並聯
全電壓,110跟220都可
串聯的話,第一個燈亮.然後第二個,陸續地慢慢亮,也有可能後面都亮不起來

原始圖

---------------------------
直接看圖4,最後的圖
找電燈8去電燈9的那條紅線,在電燈9的快接端子上,拔出來,
用快接端子或絞線把那條紅線延長接去開關2
(或者買個單切開關當作快接端子也行,接在同一側,讓它相通電,單切開關怎切都是通電)
開關2再拉一條紅線,到9-16的任何1燈
不過通常要看快接端子的孔夠不夠,有的是3孔有的是2孔
孔數量夠可以直接插,如果最近的燈,孔就是用光了,
自己在搞一個快速接頭或絞線,或者在搞一個單切開關當快速接頭,隨意三個孔,這個開關就要一直開著
不然就是找地9或16燈,快速接頭還有孔可以插
要看現場的實際狀況




---------
這個方式就是從開關1的源頭,直接並聯分享給開關2,開關2再拉一條紅線給9-16燈
找電燈8去電燈9的那條紅線,在電燈9的快接端子上,拔出來,電火布包一包即可
搞這個~比較省事~開關1開關2都在一起

不過馬要看你開關的位置要放哪
如果你要把開關1跟開關2,放在不同的位置去開去關
要看現場環境有多遠


實務上,要看線路怎接
並非說8就是去9
正常水電習慣
應該是8號會去最近的電燈
這樣子最省電線

看自己的能力~不行的話,請水電吧~
jk300 wrote:
實際上這種燈用快速接(恕刪)
這圖就正確
  • 2
內文搜尋
X
評分
評分
複製連結
Mobile01提醒您
您目前瀏覽的是行動版網頁
是否切換到電腦版網頁呢?