請教TOYOTA NEW WISH 雙燈 日行燈 方向燈 裝法

請問各位前輩,我的是2016 WISH
買雙燈日行燈+LED方向燈
請教TOYOTA NEW WISH 雙燈 日行燈 方向燈 裝法

紅、黑、綠 都接電瓶上

黃就不知道接哪個了



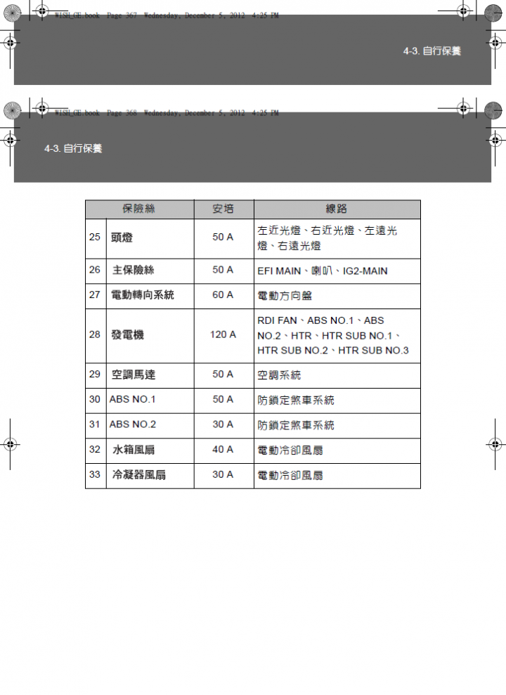
這是引擎蓋打開,電瓶右上方的保險絲

請教TOYOTA NEW WISH 雙燈 日行燈 方向燈 裝法
請教TOYOTA NEW WISH 雙燈 日行燈 方向燈 裝法
請教TOYOTA NEW WISH 雙燈 日行燈 方向燈 裝法

這是駕駛座左下方的保險絲

請教TOYOTA NEW WISH 雙燈 日行燈 方向燈 裝法
請教TOYOTA NEW WISH 雙燈 日行燈 方向燈 裝法

請問各位前輩我因該接到駕駛座的1號電源插座嗎?

還是可以接到引擎裡的就行了,因為線沒有那麼長,說自已嘗試裝裝看

可是不確定acc電源到底是哪一個

拜託各位前輩指點
2017-06-05 15:31 發佈
steve2821 wrote:
請問各位前輩,我的...(恕刪)


如果 鑰匙開紅火,按喇叭會響~ 不開紅火,按喇叭不會響~~那...黃的接1或2或3就好了~(我比較建議接2,單純點)
不用特別拉進裡面接 1號 ACC。

你的綠線接錯了~~ 你應該接19/20其中一個!! 這樣開大燈才有減光效果

-------------------------------------------------------------------------------------------

ACC 代表~~ 你開紅火有電!! 所以...你只要找出一條正電~ 開紅火有電..不開紅火沒電~ 就可以代表ACC了!!

至於怎麼找出有電的電源~~ 可以使用三用電表~~ 或是12V驗電筆~
steve2821 wrote:
請問各位前輩,我的...(恕刪)


補充:
它綠線減光訊號 (正極),是要接大燈或小燈的正極!!

如果你開小燈就想減光就接小燈~~ 開大燈想減光就接大燈~~ 不想減光就都別接!!

要是我~~我會接大燈減光~ 看個人!!
謝謝前輩的指導

一開始我以為綠線是接電瓶正極

沒想到完全不是這樣做

否則自已搞了老半天完全沒效果



內文搜尋
X
評分
評分
複製連結
Mobile01提醒您
您目前瀏覽的是行動版網頁
是否切換到電腦版網頁呢?