你好,一台Nissan Cefiro A32T-2000CC, 更正是1998年出廠,跑了33萬公里。
汽車發動不了的問題;請幫我研判看看;
這個車我是一年前接手,我是第三手的車主,第二任車主,還花了5萬塊修理過引擎。 平常引擎下半部有滴黑油的小問題。
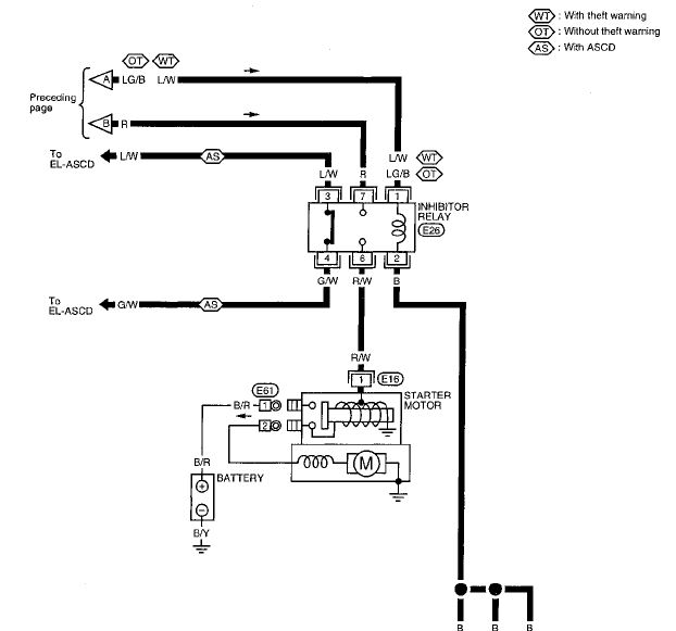
這半年,平均發動時,都要等個20秒,才能發動。如果在10秒之內發動,那是感到(沒有通電-mute靜音的感覺,也沒有答答答),就是等20秒,就可以一次發動起來。 2016-9月換了電瓶,就改善了,10秒以內以一次就發動。7天前(1/12),去看籃球賽,回家時,停車場突然發不動,汽油燈/電瓶燈/引擎警示燈,都亮著,無法發動,以為引擎故障,打算報廢,結果隔天,請計程車來幫忙,一靠電,轉了5次,(前4次都是mute靜音),第5次時一下子就發動起來,開了30公里回到家,馬上去附近保修場。 後來保修場研判跑了33萬公里,可能啟動馬達有問題,就換了(啟動馬達),換完後,轉了一次還是mute,第二次就可以發動。 當天又開了25公里到醫院,結果,回程時,又在停車場發不動了,轉發動時,都是感到沒有任何動作(Mute-靜音的感覺),轉了大約第12次才發動起來。 後來打電話告訴保修場,發動還是有問題,保修場說:如果不是電瓶/啟動馬達的問題,打P檔打N檔,兩個檔位都試試看,我試了,還是發動不了。 目前狀況是,(汽油/電瓶/引擎警示)三個同時亮,但是若是可以發動起來,三個燈又不亮了。 醫院回家後,目前是發動不了。 各位想想,可能是哪裡出了問題(電瓶/啟動馬達都剛換),開回原廠,當然可以找出問題,但是太遠,又可能很貴,請網友幫忙想想,我可以心裡有個底,看要再換什麼?可以解決這個問題。
Max
P 擋的作用有兩點,一是使發動機與變速器脫離,二是把連接驅動輪的傳動軸鎖定在變速器殼上,從而強制鎖定驅動輪。因此,在P檔檔位時,可以啟動汽車發動機,汽車驅動輪不會動。還可用於怠速停車和關閉發動機停車。
當它感應器不靈敏或者壞掉時,車子也會發不動。
其實,黃母並非一開始就接受董念台,她說,得知女兒與董念台交往是在去年她因摔倒傷脊椎住院治療期間,女兒帶著董念台到醫院探望她,當時第一時間的反應是「天阿!怎麼會這樣!」女兒怎麼會跟一個糟老頭且又是壞人的人交往,一時無法接受。但是住院、復健期間,董念台幾乎天天來照顧她,黃母於是開始觀察董念台這個人。
外界好奇董念台嫩妻的來歷,黃母說,女兒的祖父因病早已過世,女兒的父親在女兒出生約3個月過世,因女兒的祖母健在,怕老人家看到過多家庭背景的報導會勾起傷心往事,所以她不多談太多家裡事。至於女兒點頭嫁董念台,黃母說,女兒已經成年了,由女兒自己決定。
從「一個糟老頭」到認同董念台是家人,放心將女兒交給董,黃母其實暗地觀察女婿兩、三個月,她說,董不像是外界說的那麼壞,經營討債集團、耍狠,可能只是為了要生存,才會被人這樣誤解。
相反的黃母認為,董念台的本性很好、很善良、有義氣、不會害人,對女兒跟其他人也很好,出門在外還會照顧小朋友,雖然很大男人主義,但是「我不只一次親眼看到他對女兒很好」,出門在路上會扶女兒、還會幫做家事,甚至在她住院期間,董也會到醫院照顧。
內文搜尋
X






























































































