• 3

救命 04 accord 3.0 油門位置感知器故障

ducati25 wrote:
小的材粗學淺,查出來...(恕刪)


所謂的故障碼都是參考用的!實際上還是有很多步驟要確認,才能找到真正的問題點!
yoshifumi wrote:
所謂的故障碼都是參考...(恕刪)

故障碼外應該可叫出數值數據和波形來看
光從故障碼是常會誤判的
不過現在原廠不少菜鳥
有時數值數據和波形看不懂
只會換東西
建議找資深的看看
感謝各位的指導,經原廠電路檢測的確是油門踏板位置感知器異常,已更換,這幾天都正常(希望它一直正常下去)。
只是我還有一個疑問?電子油門有那麼不耐嗎?還是HONDA要加油啦!
我的狀況跟你一樣,但換過油門位置感知器後引擎燈依然三不五時會亮.
真是很苦惱,不知怎麼辦.


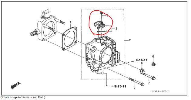
應該是這個 #3

自行更換不會太難.



Good luck

Calvin

CalvinC wrote:
應該是這個 #3自...(恕刪)


不是這顆!
04 ACCORD的不在節流閥體上!
yoshifumi wrote:
不是這顆!04 AC...(恕刪)


04 v6 accord? map sensor?

Calvin
我今天下午看了一下那個位置(#3)確實有一個叫MAP sensor的東西,料號是:079800-5410
記得每次引擎燈亮回原廠插電腦診斷都是所謂"油門位置感知器AB訊號異常",然後就是清節氣門,換油門感知器
難道原廠技師都不知道是這個MAP sensor壞嗎?真是無言.


有沒有人遇過,accord7 3.0的車,車開到一半會突然引擎燈跟TCS燈突然亮起,然後車速就只能維持在40左右,但熄火後再發動,TCS燈就會熄滅,車速又恢復正常,但引擎燈還是恆亮,但只要電瓶斷電,引擎燈又全熄了,可維持大約2-3個月,又會再發生一次,有大大可能是油門感知器快故障了,先收藏此文😢😢😢
  • 3
內文搜尋
X
評分
評分
複製連結
Mobile01提醒您
您目前瀏覽的是行動版網頁
是否切換到電腦版網頁呢?