不要再一樣了拜託 wrote:
抱歉 請問一下 我照...(恕刪)
很久沒到來這裡,原來距離你的貼文已有一個多月,希望你還會看到啦。
你是用電腦主機板附設的 RS-232 port 還是使用 USB→RS-232 的轉換器?
如果是後者,你可放棄!市面上大部份的 USB→RS-232 轉換器都電壓不足,也沒有足夠的時脈分析度,無法正確讀取紅外線訊號。
如果使用主機板附設的 RS-232 port,先確 Windows 是否已正確偵測到(可查看裝置管理員),執行 WinLIRC 後量度一下接收器的 D-Sub 插頭 Pin7 電壓,應該要有 7.5V 或以上。78L05 輸出腳應該是穩定的 5V,而紅外線接收器的輸出腳在靜態時也應該是穩定的 5V,用遙控器對準接收器長按任何遙控鍵時,接收器的輸出腳應該小於 5V,而且變得不穩定,當放開遙控鍵後,又會回復穩定的 5V。
先試試試以上測試。
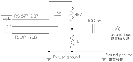
其實 WinLIRC 已於去年(2010)推出新版本,除了原本 RS-232 接收器之外,新版本還支援另外幾個接收器,其中一個同樣是很易 DIY 的 Audio 接收器,它可利用電腦的 Mic-in、Line-in 之類的音效接口讀取紅外線訊號,適合沒有 RS-232 接口的新電腦使用。有興趣可以到 WinLIRC 官方網頁看看。
不過,我發覺 Audio 接收器有個潛在問題,視乎不同電腦的音效晶片的設計,有可能錄得上下反轉的波形(即是所有 0 和 1 掉換了),有可能需要修改 WinLIRC 官方網頁內的 Audio 接收器線路,加上反相器才能正確讀取訊號。
(0.9.0 版本已解決這問題,不用再加反相器)
順便問一下有沒有人有興趣以電腦 Audio Output 對外發射紅外線訊號去遙控其它電器?
我做過少許實驗,證實是可行。現時的桌面電腦的音效晶片,前置和後置的音效輸出可以分開獨立使用,後置音出效輸出可用作一般音效用途,而前置音效輸出可用作發射紅外線訊號。不過我對編寫程式的認識有限,不懂如何指定由前置音效輸出播放紅外線訊號。以下是我做過的實驗:
發射實驗 1
發射實驗 2
dweightchang wrote:
請問一下,有辦法從電...(恕刪)
有 COM Port 的電腦可以用 WinLIRC 的 COM Port transmitter,但只限電腦主機板附設的 COM Port,可惜近年的電腦已不包 COM Port,PCI/PCI-e 插卡的 COM Port 或者都可以,不過我沒試過。至於 USB→COM Port 轉換器,由於反應速度不足,一般都不能用!
近年的電腦已不包括 COM Port,雖然新版的 WinLIRC 支援以 Audio In 接收紅外線,但不支援以 Audio Out 發射,我曾問過 WinLIRC 的開發者,可惜開發者不打算做 Audio Out 發射。根據開發者的回覆,新版的 WinLIRC 可以用 USB Infrared Toy 接收及發射紅外線遙控訊號,但我沒試過。
我曾做過實驗(#295),證實透過播放 Wav 檔方式是可以經電腦 Audio Out 用簡單的 DIY 電路發射紅外線訊號去控制其它電器,不過我寫程式的能力有限,不懂如何根據 WinLIRC 的紅外線設定檔將訊號發射到指定的 Audio Out!
內文搜尋
X





























































































